Inhaltsverzeichnis:
Die Steuerung ist der Prozess der bewussten Wechselwirkung von Eingangssignalen mit Ausgängen nach geeigneten Algorithmen – Steuerungsregeln. Ziel dieses Artikels ist es, die grundlegenden Kenntnisse über elektrische Kontaktsteuerungssysteme darzustellen, zu erklären, welche Symbole für die oben genannten Signale auf elektrischen Schaltplänen von Kontaktsteuerungssystemen zu finden sind und welches die Prinzipien für die Konstruktion und den Aufbau solcher Systeme sind.
Elektromagnetische Schalter
Schütze und Relais sind Bauteile, die aus einer Spule und einer Reihe von Kontakten – den sogenannten elektromagnetischen Schaltern – bestehen. Das Funktionsprinzip solcher Schalter beruht auf der mechanischen Verbindung der Kontakte, wenn eine Spannung an die Spule angelegt wird. Die Kontakte sind von der Spule galvanisch isoliert, so dass es möglich ist, hohe Leistungen mit geringen Steuerströmen zu verbinden. Schütze werden zum Schalten in Stromkreisen mit mittlerer und hoher Leistung verwendet, während Relais hauptsächlich zum Schalten in Stromkreisen mit geringer Leistung eingesetzt werden.
Die folgenden Kontakte werden unterschieden:
Schütze
Schütze sind elektromagnetische Geräte, deren Betrieb durch das Anlegen einer Spannung an eine Magnetspule erfolgt. Dadurch wird im Kern ein Magnetfeld erzeugt, das die bewegliche Brücke dieses Kerns anzieht.
Hierdurch kommt es zum Schließen der normal geöffneten (NO) Kontakte des Geräts und zum Öffnen der normal geschlossenen (NC) Kontakte des Geräts. Schütze werden unterteilt in Hauptschütze, die Hauptkontakte (aktiver NO) und Steuerkontakte (aktiver NO und/oder passiver NC) enthalten, und Hilfsschütze (Steuerschütze), die aktive Schließerkontakte enthalten. Die Auswahl eines Schützes in elektrischen Steuerungssystemen hängt von seinen Parametern ab. Die Hersteller geben die Art des Schützes auf dem Schütz an, manchmal auch die Nennleistung. Die meisten Parameter sollten jedoch im Katalog des Schützherstellers nachgelesen werden.
Zu den wichtigsten Werten für Schütze gehören:
- die Bemessungsisolationsspannung des Hauptstromkreises – der Effektivwert der Spannung zwischen den Leitungen;
- Bemessungsisolationsspannung des Hilfsstromkreises;
- Nenndauerstrom der Hauptkontakte;
- Nenndauerstrom der Hilfskontakte;
- Ausschaltvermögen (Schaltstrom) – der Grenzwert des effektiven Stroms, den ein Schütz eine bestimmte Anzahl von Malen unterbrechen kann, ohne dass es zu einer Beschädigung kommt (dies hängt davon ab, wie der Lichtbogen gelöscht wird);
- Anzahl und Art der Hauptkontakte;
- Anzahl und Art der Hilfskontakte;
- Nennleistung der Last – die Leistungswerte sind auf den Schütz in Abhängigkeit von der Nennversorgungsspannung angegeben, z. B. 230 V, 400 V, 690 V;
- die Spannung und Art der Stromversorgung der Spule (normalerweise 24 VDC und 230 VAC);
- Spulenwiderstand.
Bezeichnungen der Schützklemmen:
- Schützspule: A1-A2 (bei wechselstromgespeisten Schützspulen wird der Phasendraht an Klemme A1 und der Nullleiter an Klemme A2 angeschlossen, während bei gleichstromgespeisten Schützspulen der Pluspol der Versorgungsspannung an Klemme A1 und der Minuspol an Klemme A2 angeschlossen wird);
- Hauptkontakte: 1/L1-2/T1, 3/L2-4/T2, 5/L3-6/T3 (ungerade Zahlen entsprechen der Versorgungsseite und gerade Zahlen der Lastseite);
- Hilfskontakte: zweistellige Bezeichnungen, wobei die erste Ziffer die Nummer des nächsten Kontakts ist und die zweite Ziffer die Art des Kontakts angibt (1-2 NC-Kontakt, 3-4 NO-Kontakt).
Relais
Relais werden für Schaltvorgänge in Steuerstromkreisen verwendet und sind daher nicht dafür ausgelegt, übermäßige Ströme zu leiten. Ihre Anschlussbezeichnungen variieren oft und hängen vom Hersteller, der Anzahl der Kontakte und der Art des Relais sowie den Funktionen ab, die es erfüllt. Gegenwärtig werden mehrere Typen dieser Geräte durch ihre Anwendung und Konstruktion unterschieden:
- Elektromagnetisches Relais – ist ähnlich aufgebaut wie ein elektromagnetisches Schütz. Der Unterschied zwischen diesen Komponenten liegt in ihrer Anwendung. Das Anlegen einer Spannung an die Relaisspule erzeugt ein Magnetfeld im Kern und zieht den beweglichen Jumper an. Dadurch ändert sich die Position der beweglichen Kontakte. Wenn die Spannung entfernt wird, kehrt die bewegliche Brücke unter dem Einfluss der Rückstellfeder in ihre Position im stromlosen Zustand zurück. Der Anwendungsbereich von elektromagnetischen Relais wird durch ihre Nennparameter bestimmt, die von den Herstellern in ihren Katalogen angegeben werden. Die wichtigsten Relais-Parameter sind: Nennspannung der Spule, Spulenwiderstand, Nenn-Dauerkontaktstrom.
- Thermorelais – nutzt das Phänomen der thermischen Ausdehnung von Metallen. Das Grundelement eines Thermorelais ist das Bimetallelement. Ein Bimetall ist ein Bauteil, das aus zwei dauerhaft miteinander verbundenen Schichten von Metallen oder Legierungen mit unterschiedlichen Eigenschaften besteht. Das Bimetallelement des Relais wird direkt durch den elektrischen Stromfluss durch das Heizelement erhitzt. Durch den Temperaturanstieg wird das Bimetall in Richtung der reaktiven Schicht gebogen, wodurch die Relaiskontakte geschaltet werden.
- Reed-Relais – arbeiten unter dem Einfluss eines extern angelegten Magnetfeldes und schließen ihre Kontakte. Sie befinden sich in einem versiegelten Gehäuse, das mit Inertgas gefüllt ist, um Korrosion und Verbrennungen zu verhindern.
- Das Halbleiter-Relais SSR (Solid State Relay) – besteht ausschließlich aus elektronischen Komponenten. Die Vorteile von Solid-State-Relais gegenüber elektromagnetischen Relais sind: keine beweglichen Teile, lange Lebensdauer, keine Lichtbögen, keine Kontaktvibrationen, Stoßfestigkeit.
Zeitrelais sind eine eigene Gruppe von Relais. Gegenwärtig handelt es sich um Relais, die auf elektronischen Schaltungen basieren und häufig Mikroprozessortechnik verwenden. Zeitrelais werden verwendet, um Zeitfunktionen in Kontaktrelais-Systemen zu realisieren. Sie ermöglichen normalerweise die Einstellung von drei Parametern: die auszuführende Funktion, die Zeitbasis und die gemessene Zeit.
Ihre Hauptaufgaben sind:
Steuerschalter
In Steuersystemen werden verschiedene Arten von Steuerknöpfen , Endschaltern und anderen elektrischen Geräten verwendet, je nach der Funktion, die das System erfüllen soll. Mit Hilfe von Steuerschaltern kann der Benutzer das Gerät einschalten, ausschalten oder die Betriebsparameter ändern. Schalter werden sowohl im Normalbetrieb als auch im Notbetrieb verwendet und sind ein wichtiges Element zur Gewährleistung der Sicherheit beim Betrieb von Geräten. Zwei Arten von Schaltern können je nach ihrer Funktionsweise unterschieden werden (Symbole für Steuerschalter nach EN 60617):
Möglichkeiten der Interaktion mit dem Schalter:
Sicherungen von Steuersystemen
Arten von Sicherungen:
- Kurzschlussschutz – schützt Geräte vor den Auswirkungen eines übermäßigen Stromflusses infolge von Kurzschlüssen in der Stromversorgung (AC oder DC) des Geräts oder Kurzschlüssen im Gerät selbst (z.B. in den Wicklungen elektrischer Maschinen oder Komponenten elektrischer Geräte);
- Überlast – schützt das Gerät vor den Auswirkungen eines Stromflusses, der den Nennstrom geringfügig übersteigt, die durch Überschreitung der Nennparameter der Stromversorgung oder ungünstige thermische Bedingungen (z.B. unzureichende Kühlung) entstehen kann;
- Ausfallschutz – schützt die Geräte vor den Auswirkungen von Asymmetrie, Spannungsabfall und plötzlichem Wiedereinschalten der Versorgungsspannung (dies ist besonders wichtig bei Induktionsmotoren);
- Überspannung – schützt Geräte vor den Auswirkungen von Spannungsimpulsen bei Umschaltvorgängen in Stromkreisen.
Unterspannungsrelais:
Grundlagen des Zeichnens von elektrischen Schaltplänen
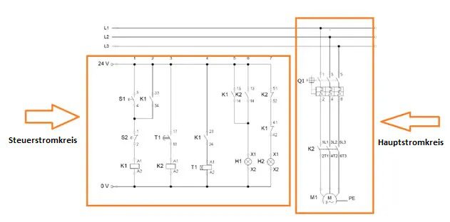
Um eine elektrische und elektronische Schaltung zu erstellen, müssen Sie wissen, wie eine solche Schaltung funktioniert. Es ist notwendig, die grafischen Symbole und den Zweck der Systemkomponenten zu kennen. Dieses Wissen ist nützlich, wenn Sie das System anhand von Konzept-, Funktions- und Montageplänen von Geräten, Anlagen und Steuerungssystemen analysieren. Für den Entwurf, die Montage, den Betrieb und die Reparatur von Kontrollsystemen verwenden wir unter anderem die schematischen und Montagepläne dieser Systeme. Nach den Normen gehören schematische Diagramme zur Gruppe der Funktionsdiagramme und sind dazu bestimmt, einen vollständigen Satz von Funktionselementen und Verbindungen zwischen ihnen darzustellen. Schematische Diagramme sind die Grundlage für Berechnungen, die Erstellung von Konstruktionsunterlagen, die Inbetriebnahme, den Betrieb, die Reparatur von Geräten usw. Für das Zeichnen von elektrischen Schaltplänen gelten die folgenden Regeln:
- Der Steuerkreis und der Stromkreis werden separat gezeichnet.
- Die Stromkreise werden im spannungslosen Zustand dargestellt.
- Die Symbole der Elemente müssen dem Standard entsprechen.
- Die Zweige des Steuerkreises werden senkrecht zwischen den Versorgungsdrähten gezeichnet und fortlaufend nummeriert.
- Die Komponentensymbole werden senkrecht zu den Versorgungsleitungen platziert und die Verbindungen zwischen den Zweigen werden horizontal verlegt.
- Alle Teile (Spulen, Kontakte), die zur selben Komponente gehören, müssen einen identischen Namen haben.
- Die Namen der elektrischen Komponenten werden links neben der Komponente angegeben.
- Die Nummern (z.B. von Kontakten, Spulen)gibt man auf der rechten Seite der Komponente an.
- Unter den Spulen der Schütze und Relais werden die zugehörigen Kontakte eingezeichnet.
Montage von elektrischen Steuerungssystemen
Elektrische Leiter führen elektrischen Strom (übertragen Energie) und verbinden die Spannungsquelle mit elektrischen Verbrauchern, Mess-, Signal- und elektronischen Geräten. Die in Kontrollsystemen am häufigsten verwendeten Leitungen sind Drähte und Kabel.
Leitungs-Parameter:
- Querschnittsfläche der Leitung (mm2) – dies ist eine standardisierte Größe und nimmt folgende Werte an: 0,5; 0,75; 1; 1,5; 2,5; 4; 6; 10; 16; 25; 35; 50; 70; 95; 120; 150; 185; 240; 300; 400; 500; 625; 800; 1000 m2.
- Nennspannung (V) – die Nennspannung des Stromkabels kann folgend sein: 300/300, 300/500, 450/750 oder 600/1000 V. Die erste Zahl vor dem Schrägstrich gibt den zulässigen Effektivwert der Wechselspannung zwischen Leiter und Erde an, während die zweite Zahl die zulässige Spannung zwischen den Leitern angibt. Dies ist der Spannungswert, bei dem das während des Betriebs erzeugte elektrische Feld die Isolierung der Leiter nicht beschädigt. Die Isolierung der Leiter eines Kabels sorgt dafür, dass die leitenden Teile isoliert sind, schützt das Kabel vor schädlichen Umwelteinflüssen, trennt die Leiter und schützt Menschen vor Stromschlägen.
Die Kabelverbindung im Steuerungssystem beruht auf einem starken Druck zwischen einer Leitung und einer anderen Leitung oder Klemme und sollte einen geringen Widerstand aufweisen. Elektrische Verbindungen sollten elektrische Kontinuität, hohe mechanische Festigkeit und Verbindungssicherheit bieten. Alle Verbindungen sollten zugänglich sein, um Reparaturen, Sichtprüfungen oder den Austausch des Kabels zu ermöglichen. Das Ergebnis einer unsachgemäßen oder ungenauen elektrischen Verbindung kann eine Unterbrechung des Stromkreises oder Funkenbildung sein (wenn die Oberflächen nicht gut aneinander anliegen). Erwärmung und Temperaturanstieg. Die Funkenbildung führt zu einer Überhitzung der Kontakte und damit zu einer Verringerung ihrer Oberfläche.
Die Anschlüsse sind so beschaffen, dass sie abnehmbar sind, damit das Gerät abgetrennt oder der beschädigte Draht ersetzt werden kann.
Typische elektrische Steuersysteme:
Wie hilfreich war dieser Beitrag?
Klicke auf die Sterne um zu bewerten!
Durchschnittliche Bewertung 4.9 / 5. Stimmenzahl: 36
Bisher keine Bewertungen! Sei der Erste, der diesen Beitrag bewertet.
















