Produktbeschreibung: ENC28J60 Ethernet-Netzwerkmodul
Ein Modul zum Anschluss von Mikrocontrollern, Runtime Kits (einschließlich Arduino) an ein Ethernet-Netzwerk. Die Kommunikationsschnittstelle ist der beliebte SPI-Digitalbus. Auf der Platine befindet sich eine RJ-45-Ethernet-Buchse für das Netzwerkkabel und Goldstiftkabel für den Anschluss an die Hauptplatine. Die Versorgungsspannung des Chips beträgt 3,3 V und die Gesamtabmessungen: 56 x 34 x 16 mm.
|
A Bibliothek für den Arduino zusammen mit Anleitungen Anschluss. |
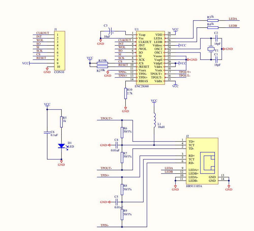
Pinbelegung
Das Modul verfügt über Goldpin-Pinouts, die den Anschluss an ein beliebiges Runner Kit oder eine dedizierte Leiterplatte unter Verwendung der verfügbaren Leitungen ermöglichen. Die Pinbelegung ist in der Abbildung unten dargestellt.
Spezifikationen des Ethernet-Moduls
- Versorgungsspannung: 3,3 V
- Maximale Übertragungsgeschwindigkeit: 25 MHz
- Kommunikationsschnittstelle: SPI
- MAC-Adresse wird in der Software zugewiesen
- Modul-Typ: 10Base-T
- Betriebstemperatur: -40°C bis 85°C
- Abmessungen: 56 x 34 x 16 mm
Einzelheiten entnehmen Sie bitte der Dokumentation zur ENC28J60-Leiterplatte.
|
Bezeichnung |
Beschreibung |
|---|---|
|
VCC |
3,3V Versorgungsspannung. |
|
GND |
Massepotential der Schaltung. |
|
RESET |
Schaltungs-Reset, aktiviert durch einen Low-Zustand. Standardzustand hoch - intern auf VCC hochgezogen (Pull-up). Der Stift verträgt 5V. |
|
CS |
Chip Select - SPI-Bus Device Select. Aktiviert durch Low-Status. Standardzustand High - intern auf VCC hochgezogen (Pull-up). Der Pin verträgt 5V. |
|
SCK |
SPI-Bus-Takteingang. Der Pin verträgt 5V. |
|
SI |
SPI-Bus-Eingangsdatenleitung. Der Pin verträgt eine Spannung von 5V. |
|
SO |
SPI-Bus-Ausgangsdatenleitung. Der Pin toleriert eine Spannung von 5V. |
|
CLKOUT |
Programmierbare Ausgangstaktleitung. |
|
WOL |
Sollte unbeschaltet bleiben. |
|
INT |
Interner Interrupt-Ausgang. |
Nützliche Links |

